FA/JUMPER新型连接器测试解决方案
一站式高效测试FA/JUMPER新型连接器IL、RL、极性!
· 支持单模、多模FA器件测试
· 波长可定制,如1270,1490,1625nm等
· 一站式测试IL、RL、极性,无需两端对接
· FA特定回损模式,锁定测距更准确
· 专利设计视觉检测极性
· 丰富的FA夹具、接口,轻松替换
· 探测接口可外置,适配多分支FA或Z-BLOCK器件
· 可在已有极性插回损仪升级,低成本迭代
· 可定制阿基米德积分球,测试2000+芯数FA
产品详情

产品概述
FA/JUMPER器件随着光模块的发展也迎来了新的市场需求;与传统连接器不同,FA/JUMPER器件尾端的晶体端面不能直接进行物理对接,并且器件的长度也普遍较短,因此在插入损耗、回波损耗测试上存在漏光、回损测试不准等问题,同时也不能用常规的极性检测仪测试光纤极性。为此老太阳集团tcy8722网站科技在多芯极性插回损仪的基础上升级选代,为客户提供一站式的FA/JUMPER测试解决方案,兼顾不同分支数、不同角度的FA器件测试,快速测试儿、RL、极性,提高生产检验的效率。
主要优势
· 支持单模、多模FA器件测试
· 波长可定制,如1270,1490,1625nm等
· 一站式测试IL、RL、极性,无需两端对接
· FA特定回损模式,锁定测距更准确
· 专利设计视觉检测极性
· 丰富的FA夹具、接口,轻松替换
· 探测接口可外置,适配多分支FA或Z-BLOCK器件
· 可在已有极性插回损仪升级,低成本迭代
· 可定制阿基米德积分球,测试2000+芯数FA
主要应用
· MT-FA器件
· JUMPER
· Z-BLOCK连接器
· 光模块内部微型连接
方案特点
· 功能丰富可自定义的软件,支持数据库
· 可测试Tx端IL、ISO隔离度,Rx端IL、RL
· 全平台架构,可集成老太阳集团tcy8722网站端检、干涉仪检测
丰富的接口设计,稳定夹持,多维光机件精密微调
传统插回损仪在测试FA器件时往往存在接口不适配,对接不紧密导致漏光或偏离角度造成插损测试数值不准确的问题。老太阳集团tcy8722网站科技提供夹具+接口的设计方式,便于用户快速操作,能够夹持稳定,并且不划伤端面,减少误差。

为了适配一些较宽的FA器件或是多分支端口同时接入测试的情况,插回损仪积分球的接口进行了适配升级,入光口径>10mm并在接口边缘进行了防漏光设计。
在MT-FA测试需求下,老太阳集团tcy8722网站科技提供多老太阳集团tcy8722网站调节的光机平台帮助用户实现多端同时测试。该光机组件预留足够的调节老太阳集团tcy8722网站数,若需要更换被测件时,只需手动调校到新被测件合适的位置和角度即可。

一步检测插入损耗、回波损耗、极性,解决FA极性痛点
FA/JUMPER器件由于无法直接对接极性测试仪的MPO接口,导致TOSA/ROSA阵列的极性测试方法失效。老太阳集团tcy8722网站科技首发专利提出的视觉检测极性方案能够有效解决这一痛点,并且内置于插回损仪内部,用户只需要一步操作接入被测件,就可以检测FA/JUMPER器件的IL、RL、极性。
该测试方案能够实现自动测试IL、RL、极性,用户如测试大芯数光纤阵列器件(如2000+芯数以上),也可以通过大容量积分收光实现测试。对于多分支FA器件,软件可智能整理极性顺序,并统一生成报告。
半自动化测试,快速提效测试
采用电机半自动移动FA平台结构,可实现双器件快速测试。用户可在当前器件测试时进行下一器件的装配、夹持及扫码等工作,60s内可完成两次极性及插回损测试。同时,用户可针对具体使用通道情况进行自定义编辑,同时兼容12芯、16芯、24芯MT-FA器件分区测试。

主要规格参数
产品基本型号 | RLM-1812B-IFA-24 | RLM-L-1812A-IFA-24 | |
产品系列 | 专家版 | 标准版 | |
光纤类型 | 9/125nm | 9/125nm | |
测试波长 | 1310/1550nm | 1310/1550nm | |
回损范围 | -30~80dB | -30~72dB | |
回损精度 | -30~70dB: ±1.0dB -70~75dB: ±2.0dB | -30~65dB: ±1.0dB -65~70dB: ±2.0d | |
插损精度 | 0~1dB: ±0.02dB | 0~1dB: ±0.02dB | |
1~5dB: ±0.05dB | 1~5dB: ±0.05dB | ||
5~10dB: ±0.1dB | 5~10dB: ±0.1dB | ||
主机部分 | 工作电源 | AC90~260V/50HZ | |
开机稳定时间 | 30分钟(存储与使用温度一致 )90分钟(存储与使用温度不一致) | ||
工作温度 | 10°C~40°C | ||
存储温度 | -40°C~70°C | ||
尺寸 | OMEGA机箱: 462mmx374mmx171mm | ||
*注释:回损准确度光强在-60dB后每弱1dB,误差增加士0.1dB
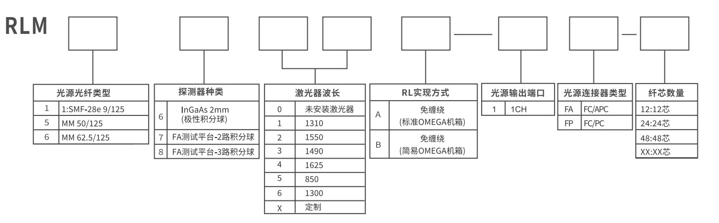
订购信息

举例:
RLM1612A-1FA-24 24芯极性免缠绕式插回损仪波长1310/1550 单模9/125 InGaAs2mm(极性积分球)光源输出端口1CH 接口类型FC/APC。
备注信息:RL实现方式 A/C型号支持双激光器波长,两位数字编码分别代表两个激光器波长,客户可在列表中选择激光器波长或者定制激光器波长。
B型号支持4个单模波长,激光器波长需选择XX。
轻松获取老太阳集团tcy8722网站的服务与支持
您是否需要支持与服务?从这里可以快速获取更多资源,最大程度的提升您的产品体验。



粤公网安备44030502009809